

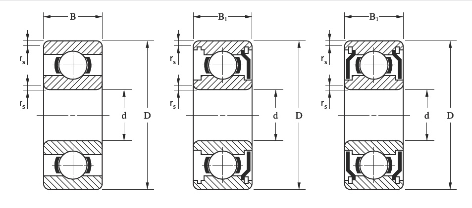
Small deep groove ball bearings are composed of two rings containing a single row of balls. They have deep raceway grooves and the cage keeps the balls separated.
In the case of miniature bearings the bore diameters range from 1 mm to 9 mm. They are available in 100Cr6 grade steel or alternatively AISI 440 or 420 stainless steel if additional corrosion resistance is required..
Miniature bearings are available open or sealed with rubber seals “RS” or metal shields “Z”. Cages are available in sheet-steel, fiber-reinforced plastic and special phenolic material designed for high speed applications.
Miniature bearings are also available with reduced or increased raceway groove clearance from MC1 up to MC6.
Small bearing applications include miniature mechanical engineering, electronic and medical devices, miniature engines and dynamic model building, small spindles, dental drills, watches, aerospace and all applications requiring extremely small components.
| Miniature deep groove ball bearings Metric series | ||||||||||
|---|---|---|---|---|---|---|---|---|---|---|
| Diametro interno d (mm) | Diametro esterno D (mm) | Diametro flangia Df (mm) | Larghezza B (mm) | Codice | Larghezza B1 (mm) | Coefficiente Carico | Velocità max ×1000rpm | |||
| Cr(N) Dinamico |
Cor(N) Statico |
grasso | olio | |||||||
| 1.5 | 4 | - | 1.2 | 681X | - | 112 | 33 | 100 | 120 | |
| 1.5 | 4 | 5 | 1.2 | F681X | - | 112 | 33 | 100 | 120 | |
| 1.5 | 4 | - | - | 681X ZZ | 2 | 112 | 33 | 100 | 120 | |
| 1.5 | 4 | 5 | 2 | F681X ZZ | - | 112 | 33 | 100 | 120 | |
| 1.5 | 5 | - | 2 | 691X | - | 169 | 50 | 85 | 100 | |
| 1.5 | 5 | - | - | 691X ZZ | 2.6 | 169 | 50 | 85 | 100 | |
| 1.5 | 5 | 6.5 | 2 | F691X | - | 169 | 50 | 85 | 100 | |
| 1.5 | 5 | 6.5 | 2.6 | F691X ZZ | - | 169 | 50 | 85 | 100 | |
| 1.5 | 6 | - | 2.5 | 601X | - | 330 | 99 | 75 | 90 | |
| 1.5 | 6 | - | - | 601X ZZ | 3 | 330 | 99 | 75 | 90 | |
| 1.5 | 6 | 7.5 | 2.5 | F601X | - | 330 | 99 | 75 | 90 | |
| 1.5 | 6 | 7.5 | 3 | F601X ZZ | - | 330 | 99 | 75 | 90 | |
| 2 | 4 | - | 1.2 | 672 | - | 124 | 40 | 91 | 104 | |
| 2 | 4 | - | - | 672 ZZ | 2 | 124 | 40 | 91 | 104 | |
| 2 | 5 | - | 1.5 | 682 | - | 169 | 50 | 85 | 100 | |
| 2 | 5 | - | - | 682 ZZ | 2.3 | 169 | 50 | 85 | 100 | |
| 2 | 5 | 6.1 | 1.5 | F682 | - | 169 | 50 | 85 | 100 | |
| 2 | 5 | 6.1 | 2.3 | F682 ZZ | - | 169 | 50 | 85 | 100 | |
| 2 | 5 | - | 2 | MR52 | - | 169 | 50 | 85 | 100 | |
| 2 | 5 | - | - | MR52 ZZ | 2.5 | 169 | 50 | 85 | 100 | |
| 2 | 5 | 6.2 | 2 | MF52 | - | 169 | 50 | 85 | 100 | |
| 2 | 5 | 6.2 | 2.5 | MF52 ZZ | - | 169 | 50 | 85 | 100 | |
| 2 | 6 | - | 2.3 | 692 | - | 330 | 99 | 75 | 90 | |
| 2 | 6 | - | - | 692 ZZ | 3 | 330 | 99 | 75 | 90 | |
| 2 | 6 | - | - | 692 ZZ W2,3 | 2.3 | 330 | 99 | 75 | 90 | |
| 2 | 6 | 7.5 | 2.3 | F692 | - | 330 | 99 | 75 | 90 | |
| 2 | 6 | 7.5 | 3 | F692 ZZ | - | 330 | 99 | 75 | 90 | |
| 2 | 6 | 2.3 | - | F692 ZZ W 2,3 | - | 330 | 99 | 75 | 90 | |
| 2 | 6 | - | 2.5 | MR62 | - | 330 | 99 | 75 | 90 | |
| 2 | 6 | - | - | MR62 ZZ | 2.5 | 330 | 99 | 75 | 90 | |
| 2 | 6 | 7.2 | 2.5 | MF62 | - | 330 | 99 | 75 | 90 | |
| 2 | 6 | 7.2 | 2.5 | MF62 ZZ | - | 330 | 99 | 75 | 90 | |
| 2 | 7 | - | 2.8 | 602 | - | 386 | 129 | 60 | 71 | |
| 2 | 7 | - | - | 602 ZZ | 3.5 | 386 | 129 | 60 | 71 | |
| 2 | 7 | - | - | 602 ZZ W2,8 | 2.8 | 386 | 129 | 60 | 71 | |
| 2 | 7 | 8.5 | 2.8 | F602 | - | 386 | 129 | 60 | 71 | |
| 2 | 7 | 8.5 | 3.5 | F602 ZZ | - | 386 | 129 | 60 | 71 | |
| 2 | 7 | 8.5 | 2.8 | F602 ZZ W2,8 | - | 386 | 129 | 60 | 71 | |
| 2 | 7 | - | 2.5 | MR72 | - | 386 | 129 | 63 | 75 | |
| 2 | 7 | - | - | MR72 ZZ | 3 | 386 | 129 | 63 | 75 | |
| 2 | 7 | 8.2 | 2.5 | MF72 | - | 386 | 129 | 63 | 75 | |
| 2 | 7 | 8.2 | 3 | MF72 ZZ | - | 386 | 129 | 63 | 75 | |
| 2.5 | 6 | - | 1.8 | 682X | - | 209 | 74 | 71 | 80 | |
| 2.5 | 6 | - | - | 682X ZZ | 2.6 | 209 | 74 | 71 | 80 | |
| 2.5 | 6 | 7.1 | 1.8 | F682X | - | 209 | 74 | 71 | 80 | |
| 2.5 | 6 | 7.1 | 2.6 | F682X ZZ | - | 209 | 74 | 71 | 80 | |
| 2.5 | 7 | - | 2.5 | 692X | - | 386 | 129 | 63 | 75 | |
| 2.5 | 7 | - | - | 692X ZZ | 3.5 | 386 | 129 | 63 | 75 | |
| 2.5 | 7 | 8.5 | 2.5 | F692X | - | 386 | 129 | 63 | 75 | |
| 2.5 | 7 | 8.5 | 3.5 | F692X ZZ | - | 386 | 129 | 63 | 75 | |
| 2.5 | 8 | - | 2.5 | MR 82X | - | 558 | 180 | 60 | 67 | |
| 2.5 | 8 | 9.2 | 2.5 | MF82X | - | 558 | 180 | 60 | 67 | |
| 2.5 | 8 | - | 2.8 | 602X | - | 552 | 177 | 60 | 71 | |
| 2.5 | 8 | 9.2 | 2.8 | F602X | - | 552 | 177 | 60 | 71 | |
| 2.5 | 8 | - | 4 | 602X ZZ | 4 | 552 | 177 | 60 | 71 | |
| 2.5 | 8 | - | - | 602X ZZ W2,8 | 2.8 | 552 | 177 | 60 | 71 | |
| 2.5 | 8 | 9.5 | 2.8 | F602X ZZ W2,8 | - | 552 | 177 | 60 | 71 | |
| 2.5 | 8 | 9.5 | 4 | F602X ZZ | - | 552 | 177 | 60 | 71 | |
| 3 | 6 | - | 2 | MR63 | - | 209 | 74 | 71 | 80 | |
| 3 | 6 | - | - | MR63 ZZ | 2.5 | 209 | 74 | 71 | 80 | |
| 3 | 6 | 7.2 | 2 | MF63 | - | 209 | 74 | 71 | 80 | |
| 3 | 6 | 7.2 | 2.5 | MF63 ZZ | - | 209 | 74 | 71 | 80 | |
| 3 | 7 | - | 2 | 683 | - | 311 | 112 | 63 | 85 | |
| 3 | 7 | - | - | 683 ZZ | 3 | 311 | 112 | 63 | 85 | |
| 3 | 7 | 8.1 | 2 | F683 | - | 311 | 112 | 63 | 85 | |
| 3 | 7 | 8.1 | 3 | F683 ZZ | - | 311 | 112 | 63 | 85 | |
| 3 | 8 | - | 2.5 | MR83 | - | 395 | 141 | 60 | 67 | |
| 3 | 8 | - | - | MR83 ZZ | 3 | 395 | 141 | 60 | 67 | |
| 3 | 8 | 9.2 | 2.5 | MF83 | - | 395 | 141 | 60 | 67 | |
| 3 | 8 | - | 3 | 693 | - | 558 | 180 | 60 | 67 | |
| 3 | 8 | - | - | 693 ZZ | 4 | 558 | 180 | 60 | 67 | |
| 3 | 8 | 9.5 | 3 | F693 | - | 558 | 180 | 60 | 67 | |
| 3 | 8 | 9.5 | 4 | F693 ZZ | - | 558 | 180 | 60 | 67 | |
| 3 | 9 | - | 3 | 603 | - | 571 | 189 | 56 | 67 | |
| 3 | 9 | - | - | 603 ZZ | 5 | 571 | 189 | 56 | 67 | |
| 3 | 9 | 10.5 | 3 | F603 | - | 571 | 189 | 56 | 67 | |
| 3 | 9 | 10.5 | 5 | F603 ZZ | - | 571 | 189 | 56 | 67 | |
| 3 | 9 | - | 2.5 | MR93 | - | 571 | 189 | 56 | 67 | |
| 3 | 9 | - | - | MR93 ZZ | 4 | 571 | 189 | 56 | 67 | |
| 3 | 9 | 10.2 | 2.5 | MF93 | - | 571 | 189 | 56 | 67 | |
| 3 | 9 | 10.6 | 4 | MF93 ZZ | - | 571 | 189 | 56 | 67 | |
| 3 | 10 | - | 4 | 623 | - | 631 | 219 | 50 | 60 | |
| 3 | 10 | - | - | 623 ZZ | 4 | 631 | 219 | 50 | 60 | |
| 3 | 10 | 11.5 | 4 | F623 | - | 631 | 219 | 50 | 60 | |
| 3 | 10 | 11.5 | 4 | F623 ZZ | - | 631 | 219 | 50 | 60 | |
| 3 | 13 | - | 5 | 633 | - | 1301 | 488 | 40 | 48 | |
| 3 | 13 | - | - | 633 ZZ | 5 | 1301 | 488 | 40 | 48 | |
| 4 | 7 | - | 2 | MR74 | - | 311 | 115 | 60 | 67 | |
| 4 | 7 | - | - | MR74 ZZ | 2.5 | 255 | 108 | 60 | 67 | |
| 4 | 7 | 8.2 | 2 | MF74 | - | 311 | 115 | 60 | 67 | |
| 4 | 7 | 8.2 | 2.5 | MF74 ZZ | - | 255 | 108 | 60 | 67 | |
| 4 | 8 | - | 2 | MR84 | - | 395 | 141 | 56 | 67 | |
| 4 | 8 | - | - | MR84 ZZ | 3 | 395 | 141 | 56 | 67 | |
| 4 | 8 | 9.2 | 2 | MF84 | - | 395 | 141 | 56 | 67 | |
| 4 | 8 | 9.2 | 3 | MF84 ZZ | - | 395 | 141 | 56 | 67 | |
| 4 | 9 | - | 2.5 | 684 | - | 641 | 227 | 53 | 63 | |
| 4 | 9 | - | - | 684ZZ | 4 | 641 | 227 | 53 | 63 | |
| 4 | 9 | - | - | 684 ZZ W3,5 | 3.5 | 641 | 227 | 53 | 63 | |
| 4 | 9 | 10.3 | 2.5 | F684 | - | 641 | 227 | 53 | 63 | |
| 4 | 9 | 10.3 | 4 | F684ZZ | - | 641 | 227 | 53 | 63 | |
| 4 | 9 | 10.3 | 3.5 | F684 ZZ W3,5 | - | 641 | 227 | 53 | 63 | |
| 4 | 10 | - | 3 | MR104 | - | 711 | 272 | 48 | 56 | |
| 4 | 10 | - | - | MR104 ZZ | 4 | 711 | 272 | 48 | 56 | |
| 4 | 10 | 11.2 | 3 | MF104 | - | 711 | 272 | 48 | 56 | |
| 4 | 10 | 11.6 | 4 | MF104 ZZ | - | 711 | 272 | 48 | 56 | |
| 4 | 11 | - | 4 | 694 | - | 957 | 350 | 48 | 56 | |
| 4 | 11 | - | - | 694 ZZ | 4 | 957 | 350 | 48 | 56 | |
| 4 | 11 | 12.5 | 4 | F694 | - | 957 | 350 | 48 | 56 | |
| 4 | 11 | 12.5 | 4 | F694 ZZ | - | 957 | 350 | 48 | 56 | |
| 4 | 12 | - | 4 | 604 | - | 957 | 350 | 48 | 56 | |
| 4 | 12 | - | - | 604 ZZ | 4 | 957 | 350 | 48 | 56 | |
| 4 | 12 | 13.5 | 4 | F604 | - | 957 | 350 | 48 | 56 | |
| 4 | 12 | 13.5 | 4 | F604 ZZ | - | 957 | 350 | 48 | 56 | |
| 4 | 13 | - | 5 | 624 | - | 1301 | 488 | 40 | 48 | |
| 4 | 13 | - | - | 624 ZZ | 5 | 1301 | 488 | 40 | 48 | |
| 4 | 13 | 15 | 5 | F624 | - | 1301 | 488 | 40 | 48 | |
| 4 | 13 | 15 | 5 | F624 ZZ | - | 1301 | 488 | 40 | 48 | |
| 4 | 16 | - | 5 | 634 | - | 1340 | 523 | 36 | 43 | |
| 4 | 16 | - | - | 634 ZZ | 5 | 1340 | 523 | 36 | 43 | |
| 4 | 16 | 18 | 5 | F634 | - | 1340 | 523 | 36 | 43 | |
| 4 | 16 | 18 | 5 | F634 ZZ | - | 1340 | 523 | 36 | 43 | |
| 5 | 8 | - | 2 | MR85 | - | 308 | 120 | 53 | 63 | |
| 5 | 8 | - | - | MR85 ZZ | 2.5 | 218 | 90 | 53 | 63 | |
| 5 | 8 | 9.2 | 2 | MF85 | - | 308 | 120 | 53 | 63 | |
| 5 | 8 | 9.2 | 2.5 | MF85 ZZ | - | 218 | 90 | 53 | 63 | |
| 5 | 9 | - | 2.5 | MR95 | - | 431 | 169 | 50 | 60 | |
| 5 | 9 | - | - | MR95 ZZ | 3 | 431 | 169 | 50 | 60 | |
| 5 | 9 | 10.2 | 2.5 | MF95 | - | 431 | 169 | 50 | 60 | |
| 5 | 9 | 10.2 | 3 | MF95 ZZ | - | 431 | 169 | 50 | 60 | |
| 5 | 10 | - | 3 | MR105 | - | 431 | 169 | 50 | 60 | |
| 5 | 10 | - | - | MR105 ZZ | 4 | 431 | 169 | 45 | 53 | |
| 5 | 10 | 11.2 | 3 | MF105 | - | 431 | 169 | 50 | 60 | |
| 5 | 10 | 11.6 | 4 | MF105 ZZ | - | 431 | 169 | 45 | 53 | |
| 5 | 11 | - | 3 | 685 | - | 716 | 282 | 45 | 53 | |
| 5 | 11 | - | - | 685ZZ | 5 | 716 | 282 | 45 | 53 | |
| 5 | 11 | 12.5 | 3 | F685 | - | 716 | 282 | 45 | 53 | |
| 5 | 11 | 12.5 | 5 | F685ZZ | - | 716 | 282 | 45 | 53 | |
| 5 | 11 | - | - | MR115 ZZ | 4 | 716 | 282 | 45 | 53 | |
| 5 | 11 | 12.6 | 4 | MF115 ZZ | - | 716 | 282 | 45 | 53 | |
| 5 | 13 | - | 4 | 695 | - | 1077 | 432 | 43 | 50 | |
| 5 | 13 | - | - | 695 ZZ | 4 | 1077 | 432 | 43 | 50 | |
| 5 | 13 | 15 | 4 | F695 | - | 1077 | 432 | 43 | 50 | |
| 5 | 13 | 15 | 4 | F695 ZZ | - | 1077 | 432 | 43 | 50 | |
| 5 | 14 | - | 5 | 605 | - | 1329 | 507 | 40 | 50 | |
| 5 | 14 | - | - | 605 ZZ | 5 | 1329 | 507 | 40 | 50 | |
| 5 | 14 | 16 | 5 | F605 | - | 1329 | 507 | 40 | 50 | |
| 5 | 14 | 16 | 5 | F605 ZZ | - | 1329 | 507 | 40 | 50 | |
| 5 | 16 | - | 5 | 625 | - | 1729 | 675 | 36 | 43 | |
| 5 | 16 | - | - | 625 ZZ | 5 | 1729 | 675 | 36 | 43 | |
| 5 | 16 | 18 | 5 | F625 | - | 1729 | 675 | 36 | 43 | |
| 5 | 16 | 18 | 5 | F625 ZZ | - | 1729 | 675 | 36 | 43 | |
| 5 | 19 | - | 6 | 635 | - | 2336 | 896 | 32 | 40 | |
| 5 | 19 | - | - | 635 ZZ | 6 | 2336 | 896 | 32 | 40 | |
| 5 | 19 | 22 | 6 | F635 | - | 2336 | 896 | 32 | 40 | |
| 5 | 19 | 22 | 6 | F635 ZZ | - | 2336 | 896 | 32 | 40 | |
| 6 | 10 | - | 2.5 | MR106 | - | 496 | 218 | 45 | 53 | |
| 6 | 10 | - | - | MR106 ZZ | 3 | 496 | 218 | 45 | 53 | |
| 6 | 10 | 11.2 | 2.5 | MF106 | - | 496 | 218 | 45 | 53 | |
| 6 | 10 | 11.2 | 3 | MF106 ZZ | - | 496 | 218 | 45 | 53 | |
| 6 | 12 | - | 3 | MR126 | - | 716 | 295 | 43 | 50 | |
| 6 | 12 | - | - | MR126 ZZ | 4 | 716 | 295 | 43 | 50 | |
| 6 | 12 | 13.2 | 3 | MF126 | - | 716 | 295 | 43 | 50 | |
| 6 | 12 | 13.6 | 4 | MF126 ZZ | - | 716 | 295 | 43 | 50 | |
| 6 | 13 | - | 3.5 | 686 | - | 1082 | 442 | 40 | 50 | |
| 6 | 13 | - | - | 686 ZZ | 5 | 1082 | 442 | 40 | 50 | |
| 6 | 13 | - | - | 686 ZZ W4,5 | 4.5 | 1082 | 442 | 40 | 50 | |
| 6 | 13 | 15 | 3.5 | F686 | - | 1082 | 442 | 40 | 50 | |
| 6 | 13 | 15 | 5 | F686 ZZ | - | 1082 | 442 | 40 | 50 | |
| 6 | 13 | 15 | 4.5 | F686 ZZ W4,5 | - | 1082 | 442 | 40 | 50 | |
| 6 | 15 | - | 5 | 696 | - | 1340 | 523 | 40 | 45 | |
| 6 | 15 | - | - | 696 ZZ | 5 | 1340 | 523 | 40 | 45 | |
| 6 | 16 | - | - | 696A ZZ | 5 | 1340 | 523 | 40 | 45 | |
| 6 | 15 | 17 | 5 | F696 | - | 1340 | 523 | 40 | 45 | |
| 6 | 15 | 17 | 5 | F696 ZZ | - | 1340 | 523 | 40 | 45 | |
| 6 | 17 | - | 6 | 606 | - | 2263 | 846 | 32 | 45 | |
| 6 | 17 | - | - | 606 ZZ | 6 | 2263 | 846 | 32 | 45 | |
| 6 | 17 | 19 | 6 | F606 | - | 2263 | 846 | 32 | 45 | |
| 6 | 17 | 19 | 6 | F606 ZZ | - | 2263 | 846 | 32 | 45 | |
| 6 | 19 | - | 6 | 626 | - | 2336 | 896 | 32 | 40 | |
| 6 | 19 | - | - | 626 ZZ | 6 | 2336 | 896 | 32 | 40 | |
| 6 | 19 | 22 | 6 | F626 | - | 2336 | 896 | 32 | 40 | |
| 6 | 19 | 22 | 6 | F626 ZZ | - | 2336 | 896 | 32 | 40 | |
| 6 | 22 | - | 7 | 636 | - | 3333 | 1423 | 30 | 36 | |
| 6 | 22 | - | - | 636 ZZ | 7 | 3333 | 1423 | 30 | 36 | |
| 7 | 11 | - | 2.5 | MR117 | - | 455 | 202 | 43 | 50 | |
| 7 | 11 | - | - | MR117 ZZ | 3 | 455 | 202 | 43 | 50 | |
| 7 | 11 | 12.2 | 2.5 | MF117 | - | 455 | 202 | 43 | 50 | |
| 7 | 11 | 12.2 | 3 | MF117 ZZ | - | 455 | 202 | 43 | 50 | |
| 7 | 13 | - | 3 | MR137 | - | 541 | 276 | 40 | 48 | |
| 7 | 13 | - | - | MR137 ZZ | 4 | 541 | 276 | 40 | 48 | |
| 7 | 13 | 14.2 | 3 | MF137 | - | 541 | 276 | 40 | 48 | |
| 7 | 13 | 14.6 | 4 | MF137 ZZ | - | 541 | 276 | 40 | 48 | |
| 7 | 14 | - | 3.5 | 687 | - | 1173 | 513 | 40 | 50 | |
| 7 | 14 | - | - | 687 ZZ | 5 | 1173 | 513 | 40 | 50 | |
| 7 | 14 | - | - | 687 ZZ W4 | 4 | 1173 | 513 | 40 | 50 | |
| 7 | 14 | 16 | 3.5 | F687 | - | 1173 | 513 | 40 | 50 | |
| 7 | 14 | 16 | 5 | F687 ZZ | - | 1173 | 513 | 40 | 50 | |
| 7 | 17 | - | 5 | 697 | - | 1605 | 719 | 36 | 43 | |
| 7 | 17 | - | - | 697 ZZ | 5 | 1605 | 719 | 36 | 43 | |
| 7 | 17 | 19 | 5 | F697 | - | 1605 | 719 | 36 | 43 | |
| 7 | 17 | 19 | 5 | F697 ZZ | - | 1605 | 719 | 36 | 43 | |
| 7 | 19 | - | 6 | 607 | - | 2336 | 896 | 36 | 43 | |
| 7 | 19 | - | - | 607 ZZ | 6 | 2336 | 896 | 36 | 43 | |
| 7 | 19 | 22 | 6 | F607 | - | 2336 | 896 | 36 | 43 | |
| 7 | 19 | 22 | 6 | F607 ZZ | - | 2336 | 896 | 36 | 43 | |
| 7 | 22 | - | 7 | 627 | - | 3287 | 1379 | 30 | 36 | |
| 7 | 22 | - | - | 627 ZZ | 7 | 3287 | 1379 | 30 | 36 | |
| 7 | 22 | 25 | 7 | F627 | - | 3287 | 1379 | 30 | 36 | |
| 7 | 22 | 25 | 7 | F627 ZZ | - | 3287 | 1379 | 30 | 36 | |
| 7 | 26 | - | 9 | 637 | - | 4563 | 1983 | 28 | 34 | |
| 7 | 26 | - | - | 637 ZZ | 9 | 4563 | 1983 | 28 | 34 | |
| 8 | 12 | - | 2.5 | MR128 | - | 543 | 274 | 40 | 48 | |
| 8 | 12 | - | - | MR128 ZZ | 3.5 | 543 | 274 | 40 | 48 | |
| 8 | 12 | 13.2 | 2.5 | MF128 | - | 543 | 274 | 40 | 48 | |
| 8 | 12 | 13.6 | 3.5 | MF128 ZZ | - | 543 | 274 | 40 | 48 | |
| 8 | 14 | - | 3.5 | MR148 | - | 817 | 386 | 38 | 45 | |
| 8 | 14 | - | - | MR148ZZ | 4 | 817 | 386 | 38 | 45 | |
| 8 | 14 | 15.6 | 3.5 | MF148 | - | 817 | 386 | 38 | 45 | |
| 8 | 14 | 15.6 | 4 | MF148ZZ | - | 817 | 386 | 38 | 45 | |
| 8 | 16 | - | 4 | 688 | - | 1252 | 592 | 36 | 43 | |
| 8 | 16 | - | - | 688 ZZ | 5 | 1252 | 592 | 36 | 43 | |
| 8 | 16 | - | - | 688 ZZ W6 | 6 | 1252 | 592 | 36 | 43 | |
| 8 | 16 | 18 | 4 | F688 | - | 1252 | 592 | 36 | 43 | |
| 8 | 16 | 18 | 5 | F688 ZZ | - | 1252 | 592 | 36 | 43 | |
| 8 | 16 | 18 | 6 | F688 ZZ W6 | - | 1252 | 592 | 36 | 43 | |
| 8 | 19 | - | 6 | 698 | - | 2237 | 917 | 36 | 43 | |
| 8 | 19 | - | - | 698 ZZ | 6 | 2237 | 917 | 36 | 43 | |
| 8 | 19 | 22 | 6 | F698 | - | 2237 | 917 | 36 | 43 | |
| 8 | 19 | 22 | 6 | F698 ZZ | - | 2237 | 917 | 36 | 43 | |
| 8 | 22 | - | 7 | 608 | - | 3293 | 1379 | 34 | 40 | |
| 8 | 22 | - | - | 608 ZZ | 7 | 3293 | 1379 | 34 | 40 | |
| 8 | 22 | 25 | 7 | F608 | - | 3293 | 1379 | 34 | 40 | |
| 8 | 22 | 25 | 7 | F608 ZZ | - | 3293 | 1379 | 34 | 40 | |
| 8 | 24 | - | 8 | 628 | - | 3333 | 1423 | 2 | 34 | |
| 8 | 24 | - | - | 628 ZZ | 8 | 3333 | 1423 | 2 | 34 | |
| 8 | 28 | - | 9 | 638 | - | 4563 | 1983 | 28 | 34 | |
| 8 | 28 | - | - | 638 ZZ | 9 | 4563 | 1983 | 28 | 34 | |
| 9 | 14 | - | 3 | 679 | - | 919 | 468 | 36 | 42 | |
| 9 | 14 | - | - | 679 ZZ | 4.5 | 919 | 468 | 36 | 42 | |
| 9 | 14 | 15.5 | 3 | F679 | - | 919 | 468 | 36 | 42 | |
| 9 | 14 | 15.5 | 4.5 | F679 ZZ | - | 919 | 468 | 36 | 42 | |
| 9 | 17 | - | 4 | 689 | - | 1327 | 668 | 36 | 43 | |
| 9 | 17 | - | - | 689 ZZ | 5 | 1327 | 668 | 36 | 43 | |
| 9 | 17 | 19 | 4 | F689 | - | 1327 | 668 | 36 | 43 | |
| 9 | 17 | 19 | 5 | F689 ZZ | - | 1327 | 668 | 36 | 43 | |
| 9 | 20 | - | 6 | 699 | - | 2467 | 1081 | 34 | 40 | |
| 9 | 20 | - | - | 699 ZZ | 6 | 2467 | 1081 | 34 | 40 | |
| 9 | 20 | 23 | 6 | F699 | - | 2467 | 1081 | 34 | 40 | |
| 9 | 20 | 23 | 6 | F699 ZZ | - | 2467 | 1081 | 34 | 40 | |
| 9 | 24 | - | 7 | 609 | - | 3356 | 1444 | 32 | 38 | |
| 9 | 24 | - | - | 609 ZZ | 7 | 3356 | 1444 | 32 | 38 | |
| 9 | 24 | 27 | 7 | F609 | - | 3356 | 1444 | 32 | 38 | |
| 9 | 24 | 27 | 7 | F609 ZZ | - | 3356 | 1444 | 32 | 38 | |
| 9 | 26 | - | 8 | 629 | - | 4563 | 1983 | 28 | 34 | |
| 9 | 26 | - | - | 629 ZZ | 8 | 4563 | 1983 | 28 | 34 | |
| 9 | 30 | - | 10 | 639 | - | 4659 | 2080 | 24 | 30 | |
| 9 | 30 | - | - | 639 ZZ | 10 | 4659 | 2080 | 24 | 30 | |