

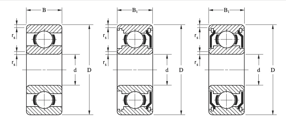
Il micro cuscinetto radiale rigido a sfere è costituito da due anelli muniti di gole che racchiudono una corona di sfere. Le gole fanno da guida alle sfere che sono distanziate tra loro da una gabbia. La gamma va da foro Ø 1 mm a foro Ø 9 mm. I micro cuscinetti possono essere costruiti in acciaio per cuscinetti 100Cr6 oppure, per tutte le applicazioni con presenza di acqua, in AISI 440 o AISI 420. I micro cuscinetti possono essere aperti oppure con schermi metallici “Z” o tenute in gomma “RS” e avere gabbie in lamierino o plastica rinforzata in fibra o gabbie speciali fenoliche per alte velocità. I micro cuscinetti possono avere le piste con giochi ridotti o maggiorati in esecuzione MC1 fino a MC6.
I micro cuscinetti vengono utilizzati in tutta la micro meccanica, nelle apparecchiature elettroniche e medicali, nei micro motori e modellismo dinamico , nei piccoli mandrini, nei trapani dentali, negli orologi, nel campo aereo spaziale e in tutte le applicazioni dove sono necessarie misure di ingombro estremamente ridotte.
| Microcuscinetti Radiali Rigidi a Sfere Serie in pollici | ||||||||||||
|---|---|---|---|---|---|---|---|---|---|---|---|---|
| Diametro interno d (inch) | Diametro esterno D (inch) | Diametro flangia Df (inch) | Larghezza B (inch) | Codice | Coefficiente Carico | Velocità max ×1000rpm | ||||||
| Cr(N) Dinamico |
Cor(N) Statico |
grasso | olio | |||||||||
| (inch) | (mm) | (inch) | (mm) | (inch) | (mm) | (inch) | (mm) | |||||
| 0.055 | 1.397 | 0.1875 | 4.7625 | - | - | 0.0781 | 1.98374 | R1 | 232 | 67 | 90 | 110 |
| 0.055 | 1.397 | 0.1875 | 4.7625 | 0.234 | 5.9436 | 0.0781 | 1.98374 | FR1 | 232 | 67 | 90 | 110 |
| 0.055 | 1.397 | 0.1875 | 4.7625 | - | - | 0.1094 | 2.77876 | R1 ZZ | 232 | 67 | 90 | 110 |
| 0.055 | 1.397 | 0.1875 | 4.7625 | 0.234 | 5.9436 | 0.1094 | 2.77876 | FR1 ZZ | 232 | 67 | 90 | 110 |
| 0.0781 | 1.98374 | 0.25 | 6.35 | - | - | 0.0937 | 2.37998 | R1-4 | 284 | 96 | 67 | 80 |
| 0.0781 | 1.98374 | 0.25 | 6.35 | 0.296 | 7.5184 | 0.0937 | 2.37998 | FR1-4 | 284 | 96 | 67 | 80 |
| 0.0781 | 1.98374 | 0.25 | 6.35 | - | - | 0.1406 | 3.57124 | R1-4 ZZ | 284 | 96 | 67 | 80 |
| 0.0781 | 1.98374 | 0.25 | 6.35 | 0.296 | 7.5184 | 0.1406 | 3.57124 | FR1-4 ZZ | 284 | 96 | 67 | 80 |
| 0.0937 | 2.37998 | 0.1875 | 4.7625 | - | - | 0.0625 | 1.5875 | R133 | 189 | 60 | 80 | 95 |
| 0.0937 | 2.37998 | 0.1875 | 4.7625 | 0.234 | 5.9436 | 0.0625 | 1.5875 | FR133 | 189 | 60 | 80 | 95 |
| 0.0937 | 2.37998 | 0.1875 | 4.7625 | - | - | 0.0937 | 2.37998 | R133 ZZ | 144 | 53 | 80 | 95 |
| 0.0937 | 2.37998 | 0.1875 | 4.7625 | 0.234 | 5.9436 | 0.0937 | 2.37998 | FR133 ZZ | 144 | 53 | 80 | 95 |
| 0.0937 | 2.37998 | 0.3125 | 7.9375 | - | - | 0.1094 | 2.77876 | R1-5 | 552 | 176 | 60 | 71 |
| 0.0937 | 2.37998 | 0.3125 | 7.9375 | 0.359 | 9.1186 | 0.1094 | 2.77876 | FR1-5 | 552 | 176 | 60 | 71 |
| 0.0937 | 2.37998 | 0.3125 | 7.9375 | - | - | 0.1406 | 3.57124 | R1-5 ZZ | 552 | 176 | 60 | 71 |
| 0.0937 | 2.37998 | 0.3125 | 7.9375 | 0.359 | 9.1186 | 0.1406 | 3.57124 | FR1-5 ZZ | 552 | 176 | 60 | 71 |
| 0.125 | 3.175 | 0.25 | 6.35 | - | - | 0.0937 | 2.37998 | R144 | 311 | 110 | 67 | 80 |
| 0.125 | 3.175 | 0.25 | 6.35 | 0.296 | 7.5184 | 0.0937 | 2.37998 | FR144 | 311 | 110 | 67 | 80 |
| 0.125 | 3.175 | 0.25 | 6.35 | - | - | 0.1094 | 2.77876 | R144 ZZ | 311 | 110 | 67 | 80 |
| 0.125 | 3.175 | 0.25 | 6.35 | 0.296 | 7.5184 | 0.1094 | 2.77876 | FR144 ZZ | 311 | 110 | 67 | 80 |
| 0.125 | 3.175 | 0.3125 | 7.9375 | - | - | 0.1094 | 2.77876 | R2-5 | 558 | 180 | 60 | 67 |
| 0.125 | 3.175 | 0.3125 | 7.9375 | 0.359 | 9.1186 | 0.1094 | 2.77876 | FR2-5 | 558 | 180 | 60 | 67 |
| 0.125 | 3.175 | 0.3125 | 7.9375 | - | - | 0.1406 | 3.57124 | R2-5 ZZ | 558 | 180 | 60 | 67 |
| 0.125 | 3.175 | 0.3125 | 7.9375 | 0.359 | 9.1186 | 0.1406 | 3.57124 | FR2-5 ZZ | 558 | 180 | 60 | 67 |
| 0.125 | 3.175 | 0.3125 | 7.9375 | - | - | 0.1094 | 2.77876 | R2-6 | 640 | 227 | 53 | 63 |
| 0.125 | 3.175 | 0.3125 | 7.9375 | 0.422 | 10.7188 | 0.1094 | 2.77876 | FR2-6 | 640 | 227 | 53 | 63 |
| 0.125 | 3.175 | 0.3125 | 7.9375 | - | - | 0.1406 | 3.57124 | R2-6 ZZ | 640 | 227 | 53 | 63 |
| 0.125 | 3.175 | 0.3125 | 7.9375 | 0.422 | 10.7188 | 0.1406 | 3.57124 | FR2-6 ZZ | 640 | 227 | 53 | 63 |
| 0.125 | 3.175 | 0.375 | 9.525 | - | - | 0.1562 | 3.96748 | R2 | 631 | 219 | 56 | 67 |
| 0.125 | 3.175 | 0.375 | 9.525 | - | - | 0.1562 | 3.96748 | R2 ZZ | 631 | 219 | 56 | 67 |
| 0.125 | 3.175 | 0.375 | 9.525 | 0.44 | 11.176 | 0.1562 | 3.96748 | FR2 | 631 | 219 | 56 | 67 |
| 0.125 | 3.175 | 0.375 | 9.525 | 0.44 | 11.176 | 0.1562 | 3.96748 | FR2 ZZ | 631 | 219 | 56 | 67 |
| 0.125 | 3.175 | 0.5 | 12.7 | - | - | 0.1719 | 4.36626 | R2A | 640 | 227 | 53 | 63 |
| 0.125 | 3.175 | 0.5 | 12.7 | - | - | 0.1719 | 4.36626 | R2A ZZ | 640 | 227 | 53 | 63 |
| 0.1562 | 3.96748 | 0.3125 | 7.9375 | - | - | 0.1094 | 2.77876 | R155 | 359 | 150 | 53 | 63 |
| 0.1562 | 3.96748 | 0.3125 | 7.9375 | 0.359 | 9.1186 | 0.1094 | 2.77876 | FR155 | 359 | 150 | 53 | 63 |
| 0.1562 | 3.96748 | 0.3125 | 7.9375 | - | - | 0.125 | 3.175 | R155 ZZ | 359 | 150 | 53 | 63 |
| 0.1562 | 3.96748 | 0.3125 | 7.9375 | 0.359 | 9.1186 | 0.125 | 3.175 | FR155 ZZ | 359 | 150 | 53 | 63 |
| 0.1875 | 4.7625 | 0.3125 | 7.9375 | - | - | 0.1094 | 2.77876 | R156 | 359 | 150 | 53 | 63 |
| 0.1875 | 4.7625 | 0.3125 | 7.9375 | 0.359 | 9.1186 | 0.1094 | 2.77876 | FR156 | 359 | 150 | 53 | 63 |
| 0.1875 | 4.7625 | 0.3125 | 7.9375 | - | - | 0.125 | 3.175 | R156 ZZ | 359 | 150 | 53 | 63 |
| 0.1875 | 4.7625 | 0.3125 | 7.9375 | 0.359 | 9.1186 | 0.125 | 3.175 | FR156 ZZ | 359 | 150 | 53 | 63 |
| 0.1875 | 4.7625 | 0.375 | 9.525 | - | - | 0.125 | 3.175 | R166 | 709 | 272 | 50 | 60 |
| 0.1875 | 4.7625 | 0.375 | 9.525 | 0.422 | 10.7188 | 0.125 | 3.175 | FR166 | 709 | 272 | 50 | 60 |
| 0.1875 | 4.7625 | 0.375 | 9.525 | - | - | 0.125 | 3.175 | R166 ZZ | 709 | 272 | 50 | 60 |
| 0.1875 | 4.7625 | 0.375 | 9.525 | 0.422 | 10.7188 | 0.125 | 3.175 | FR166 ZZ | 709 | 272 | 50 | 60 |
| 0.1875 | 4.7625 | 0.5 | 12.7 | - | - | 0.1562 | 3.96748 | R3 | 1301 | 488 | 43 | 53 |
| 0.1875 | 4.7625 | 0.5 | 12.7 | 0.565 | 14.351 | 0.1562 | 3.96748 | FR3 | 1301 | 488 | 43 | 53 |
| 0.1875 | 4.7625 | 0.5 | 12.7 | - | - | 0.196 | 4.9784 | R3 ZZ | 1301 | 488 | 43 | 53 |
| 0.1875 | 4.7625 | 0.5 | 12.7 | 0.565 | 14.351 | 0.196 | 4.9784 | FR3 ZZ | 1301 | 488 | 43 | 53 |
| 0.1875 | 4.7625 | 0.625 | 15.875 | - | - | 0.196 | 4.9784 | R3A | 1480 | 621 | 38 | 45 |
| 0.1875 | 4.7625 | 0.625 | 15.875 | - | - | 0.196 | 4.9784 | R3A ZZ | 1480 | 621 | 38 | 45 |
| 0.25 | 6.35 | 0.375 | 9.525 | - | - | 0.125 | 3.175 | R168 | 373 | 172 | 48 | 56 |
| 0.25 | 6.35 | 0.375 | 9.525 | 0.422 | 10.7188 | 0.125 | 3.175 | FR168 | 373 | 172 | 48 | 56 |
| 0.25 | 6.35 | 0.375 | 9.525 | - | - | 0.125 | 3.175 | R168 ZZ | 373 | 172 | 48 | 56 |
| 0.25 | 6.35 | 0.375 | 9.525 | 0.422 | 10.7188 | 0.125 | 3.175 | FR168 ZZ | 373 | 172 | 48 | 56 |
| 0.25 | 6.35 | 0.5 | 12.7 | - | - | 0.125 | 3.175 | R188 | 1082 | 442 | 40 | 50 |
| 0.25 | 6.35 | 0.5 | 12.7 | 0.547 | 13.8938 | 0.125 | 3.175 | FR188 | 1082 | 442 | 40 | 50 |
| 0.25 | 6.35 | 0.5 | 12.7 | - | - | 0.1875 | 4.7625 | R188 ZZ | 1082 | 442 | 40 | 50 |
| 0.25 | 6.35 | 0.5 | 12.7 | 0.547 | 13.8938 | 0.1875 | 4.7625 | FR188 ZZ | 1082 | 442 | 40 | 50 |
| 0.25 | 6.35 | 0.625 | 15.875 | - | - | 0.196 | 4.9784 | R4 | 1480 | 621 | 38 | 45 |
| 0.25 | 6.35 | 0.625 | 15.875 | 0.69 | 17.526 | 0.196 | 4.9784 | FR4 | 1480 | 621 | 38 | 45 |
| 0.25 | 6.35 | 0.625 | 15.875 | - | - | 0.196 | 4.9784 | R4 ZZ | 1480 | 621 | 38 | 45 |
| 0.25 | 6.35 | 0.625 | 15.875 | 0.69 | 17.526 | 0.196 | 4.9784 | FR4 ZZ | 1480 | 621 | 38 | 45 |
| 0.25 | 6.35 | 0.75 | 19.05 | - | - | 0.2188 | 5.55752 | R4A | 2336 | 896 | 36 | 43 |
| 0.25 | 6.35 | 0.75 | 19.05 | - | - | 0.2812 | 7.14248 | R4A ZZ | 2336 | 896 | 36 | 43 |
| 0.3125 | 7.9375 | 0.5 | 12.7 | - | - | 0.1562 | 3.96748 | R1810 | 542 | 276 | 40 | 48 |
| 0.3125 | 7.9375 | 0.5 | 12.7 | 0.547 | 13.8938 | 0.1562 | 3.96748 | FR1810 | 542 | 276 | 40 | 48 |
| 0.3125 | 7.9375 | 0.5 | 12.7 | - | - | 0.1562 | 3.96748 | R1810 ZZ | 542 | 276 | 40 | 48 |
| 0.3125 | 7.9375 | 0.5 | 12.7 | 0.547 | 13.8938 | 0.1562 | 3.96748 | FR1810 ZZ | 542 | 276 | 40 | 48 |
| 0.375 | 9.525 | 0.625 | 15.875 | - | - | 0.1562 | 3.96748 | ER1038 | 856 | 435 | 30 | 35 |
| 0.375 | 9.525 | 0.625 | 15.875 | - | - | 0.1562 | 3.96748 | ER1038 ZZ | 856 | 435 | 30 | 35 |
| 0.375 | 9.525 | 0.875 | 22.225 | - | - | 0.2188 | 5.55752 | R6 | 3332 | 1411 | 32 | 38 |
| 0.375 | 9.525 | 0.875 | 22.225 | 0.969 | 24.6126 | 0.2188 | 5.55752 | FR6 | 3332 | 1411 | 32 | 38 |
| 0.375 | 9.525 | 0.875 | 22.225 | - | - | 0.2512 | 6.38048 | R6 ZZ | 3332 | 1411 | 32 | 38 |
| 0.375 | 9.525 | 0.875 | 22.225 | 0.969 | 24.6126 | 0.2512 | 6.38048 | FR6 ZZ | 3332 | 1411 | 32 | 38 |
| 0.5 | 12.7 | 0.75 | 19.05 | - | - | 0.1562 | 3.96748 | ER1212 | 9018 | 542 | 24 | 28 |
| 0.5 | 12.7 | 0.75 | 19.05 | - | - | 0.1562 | 3.96748 | ER1212 ZZ | 9018 | 542 | 24 | 28 |
| 0.5 | 12.7 | 1.125 | 28.575 | - | - | 0.25 | 6.35 | R8 | 5108 | 2413 | 27 | 32 |
| 0.5 | 12.7 | 1.125 | 28.575 | 1.2252 | 31.12008 | 0.25 | 6.35 | FR8 | 5108 | 2413 | 27 | 32 |
| 0.5 | 12.7 | 1.125 | 28.575 | - | - | 0.3125 | 7.9375 | R8 ZZ | 5108 | 2413 | 27 | 32 |
| 0.5 | 12.7 | 1.125 | 28.575 | 1.2252 | 31.12008 | 0.3125 | 7.9375 | FR8 ZZ | 5108 | 2413 | 27 | 32 |
| 0.625 | 15.875 | 0.875 | 22.225 | - | - | 0.1562 | 3.96748 | ER1458 | 968 | 619 | 20 | 24 |
| 0.625 | 15.875 | 0.875 | 22.225 | - | - | 0.1562 | 3.96748 | ER1458 ZZ | 968 | 619 | 20 | 24 |
| 0.625 | 15.875 | 1.375 | 34.925 | - | - | 0.2812 | 7.14248 | R10 | 5999 | 3265 | 21 | 25 |
| 0.625 | 15.875 | 1.375 | 34.925 | - | - | 0.3438 | 8.73252 | R10 ZZ | 5999 | 3265 | 21 | 25 |
| 0.625 | 15.875 | 1.375 | 34.925 | 1.49 | 37.846 | 0.3438 | 8.73252 | FR10 ZZ | 5999 | 3265 | 21 | 25 |
| 0.75 | 19.05 | 1 | 25.4 | - | - | 0.1562 | 3.96748 | ER1634 | 1011 | 691 | 17 | 20 |
| 0.75 | 19.05 | 1 | 25.4 | - | - | 0.1562 | 3.96748 | ER1634 ZZ | 1011 | 691 | 17 | 20 |
| 0.75 | 19.05 | 1.625 | 41.275 | - | - | 0.3125 | 7.9375 | R12 | 9384 | 5057 | 17 | 21 |
| 0.75 | 19.05 | 1.625 | 41.275 | - | - | 0.4375 | 11.1125 | R12 ZZ | 9384 | 5057 | 17 | 21 |